Каталог электрики   О Компании   Реквизиты   Информация   Новости   Статьи   Вакансии   Программа лояльности   Самовывоз и Доставка   Контакты   Отзывы  
Лампы - источники света
Светодиодные светильники LED
Розетки и выключатели накладного монтажа
Телекоммуникационное оборудование
Электродвигатели, преобразователи частоты, устройство плавного пуска
Розетки и выключатели влагозащищенные
Новогодние гирлянды, фигуры, елки
Бытовые электротовары
Крепеж
Светильники ламповые
Светодиодные ленты, модули, профили, блоки питания
НВО (Автоматические выключатели, УЗО, щиты, боксы, электросчетчики)
Электромонтажные изделия, монтажные коробки, клеммы
Инструмент для электромонтажных и строительных работ
Кабель и провод
Теплые полы, обогрев труб и кровли, терморегуляторы
Розетки и выключатели скрытого монтажа
Электрооборудование для офисов (кабель-каналы, люки, колонны, розетки)
Силовые разъёмы, вилки, колодки электрические
Комплектующие для светильников
Кабеленесущие системы
Поиск    Карта сайта
Хиты продаж Акция
×
   Старый поиск >>>
AI консультант электрик  
×
Напишите нам:
с 09:00 до 18:00
по рабочим дням.
     
Избранное

Плавкая вставка предохранителя ИЭК ППНИ-33, габарит 0, 63А DPP20-063

DPP20-063 Плавкая вставка предохранителя ИЭК ППНИ-33, габарит 0, 63А
  • Плавкая вставка предохранителя ИЭК ППНИ-33, габарит 0, 63А
Артикул:  
DPP20-063
  Обзор от AI
Производитель: IEK (ИЭК)
Цена: 476,99 р. за 1 шт
* цена указана с учетом НДС.

Наличие:


Самовывоз из ПВЗ:
м. Новохохловская 14 апреля
Доставка по Москве и области: 15 апреля
Купить:  - +   шт  


Начислим 5 бонусов
За каждую единицу этого товара при покупке.
Каждому авторизованному пользователю.
1 бонус = 1 рубль при следующем заказе.
Cертификат IEK
Предохранители плавкие ППНИ IEK

Самовывоз в Москве:

ул. Новохохловская, д.91, стр.10
                         пн-пт с 8:00 до 20:00
                         сб-вс с 8:00 до 18:00
                                     подробнее ...

Доставка по Москве и МО:

- в пределах МКАД + 10 км. - 150 руб.
  при заказе от 5 000 руб. - бесплатно

- далее + 20 руб./1 км.
                         пн-пт с 9:00 до 18:00
                                     подробнее ...

Отправка заказов
        в регионы России - подробнее ...

Обмен и возврат товара
            Возможен в течение 220 дней
                                с 10:00 до 17:00
                               в рабочие дни РФ



  • Описание
  • Характеристики
  • Фото
  • Добавить фото
  • Документация
  • Вопрос-ответ
  • Отзывы
  • Где купить

Предохранитель плавкий ППНИ-33 IEK DPP20-063


Описание плавких предохранителей ИЭК

Предохранители плавкие серии ППНИ типа gG общего применения предназначены для защиты промышленных электроустановок и кабельных линий от перегрузки и короткого замыкания и выпускаются на номинальные токи от 2 до 630 А.

Используются в однофазных и трехфазных сетях напряжением до 660 В частоты 50 Гц.

Области применения предохранителей ППНИ: вводно-распределительные устройства (ВРУ); шкафы и пункты распределительные (ШРС, ШР, ПР); оборудование трансформаторных подстанций (ЩО); шкафы низкого напряжения (ШРПНН); шкафы и ящики управления.

Предохранители плавкие ППНИ cоответствуют требованиям ГОСТ Р 50339.0 , 50339.2.

Характеристики предорхранителя DPP20-063
  • Номинальное напряжение частотой - 400,500,660В
  • Номинальная частота - 50Гц
  • Номинальный ток - 63А
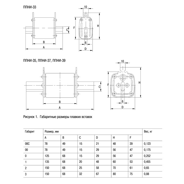
  • Типоразмеры - 0
  • Классификационная группа - gG*
  • Номинальная отключающая способность - 50кА при 660В, 120кА при 500В
  • Диапазон рабочих температур - от-45°С до+60°С
  • Степень защиты выключателя - IP00
  • Рабочее положение - вертикальное и горизонтальное
  • Указатель срабатывания(индикатор) - выдвижной шток(боек)
  • Материал контактов - медь с гальваническим покрытием

    *

    "g" - защита с отключающей способностью во всем диапазоне от перегрузки и короткого замыкания

    "G" - предохранители общего применения





  • Технические характеристики

    БрендIEK
    Формат предохранителяНожевые предохранители
    Габарит0
    Номинальный ток63 А
    Диапазон отключения и категория примененияgG/gL

    Код EAN: 4606056058109, 4606056058116
    Код товара: DPP20-063

    Характеристики по классификатору Etim по данным производителя:

    Низковольт. предохранитель (плавкая вставка) HRC (с высок. отключ. способностью) EC000055

    Вставка плавкая ППНИ-33 63А габарит 0 IEK DPP20-063

    Конструктивный размер (габарит) NH0
    Номин. ток 63 А
    Номин. (расчетное) напряжение 690 В
    Категория применения (класс эксплуатации) gL/gG (защита линейных цепей от перегрузки и короткого замыкания)
    Тип индикатора срабатывания Передний


    DPP20-063 Плавкая вставка предохранителя ИЭК ППНИ-33, габарит 0, 63А фото 1

    DPP20-063 Плавкая вставка предохранителя ИЭК ППНИ-33, габарит 0, 63А фото 2







    Вы можете добавить фотографии DPP20-063 IEK
    Бонусы начисляются авторизованным пользователям.
    Обратите внимание - все поля являются обязательными для заполнения.
    Ваше имя: 
    Файл: 
    Комментарий: 
    Отправляя данные, вы соглашаетесь с политикой конфиденциальности.




    Вы можете задать технический вопрос по DPP20-063 IEK
    Обратите внимание - все поля являются обязательными для заполнения.
    Ваше имя: 
    Ваш телефон: 
    (не публикуется) 
    +7
    Ваш email: 
    (не публикуется) 
    Ваш Вопрос: 
    Отправляя данные, вы соглашаетесь с политикой конфиденциальности.




    Вы можете оставить свой отзыв по DPP20-063 IEK
    Бонусы начисляются авторизованным пользователям.
    Обратите внимание - все поля являются обязательными для заполнения.
    Оценка: 
    Ваше имя: 
    Ваш телефон: 
    (не публикуется) 
    +7
    Ваш email: 
    (не публикуется) 
    Ваш отзыв: 
    Отправляя данные, вы соглашаетесь с политикой конфиденциальности.

    Способы получения заказов

    Самовывоз в Москве - подробнее ...

    м. Новохохловская, ул. Новохохловская, д.91, стр.10

    - Пн-Пт c 8:00 до 20:00; Сб-Вс с 8:00 до 18:00.
    - Минимальная сумма заказа отсутствует.

    Оплата:

    - наличными при получении.
    - банковской картой через терминал.
    - банковский перевод по выставленому счету
      (зачисление оплаты происходит в течении суток) 

    Доставка по Москве - подробнее ...

    - в пределах МКАД +10 км. - 150 рублей.
      при заказе от 5 000 руб. - бесплатно
    - Пн-Сб с 10:00 до 18:00.

    Оплата:

    - наличными при получении.
    - банковский перевод по выставленому счету
      (зачисление оплаты происходит в течении суток)

    Доставка по Московской области - подробнее ...

    - до 10-ти км. от МКАД - 150 рублей.
    - от 10-го км. от МКАД - 150 рублей + 20 рублей за 1 км., осуществляется в зависимости от суммы заказа.
    при заказе от 5 000 руб. до 10-ти км. от МКАД - беcплатно
    - Пн-Сб с 10.00 до 18.00.

    Оплата:

    - наличными при получении.
    - банковский перевод по выставленому счету
      (зачисление оплаты происходит в течении суток)

    Самовывоз и доставка в Московской области и в городах РФ из ПВЗ Shop220 

    Вы можете оформить заказ в имеющихся ПВЗ, выбрав требуемый город в шапке сайта.

    Город Адрес Примечания
    Москва Москва, Новохохловская улица, 91с10 Пн-Пт 8:00-20:00, Сб-Вс 8:00-18:00
    Астрахань Астрахань, Рыбинская улица, 19В Пн-Пт 9:00-17:00, Сб 9:00-16:00, Вс 9:00-15:00
    Владивосток Приморский край, Владивосток, Стрелочная улица, 2А с 10:00 до 18:00 по рабочим дням РФ.
    Волгодонск Ростовская область, Волгодонской район, Добровольское сельское поселение, посёлок Солнечный, Прудовая улица, 53
    Коломна Московская область, Коломна, улица Астахова, 47 Пн-Пт 9:00-19:00, Сб-Вс 9:00-16:00
    Краснодар Краснодар, Сормовская улица, 12/3 с 8:00 до 17:00 по рабочим дням РФ.
    Курган Курган, жилой район Заозёрный, 1-й микрорайон, 35ст2 Пн-Пт с 9:00 до 20:00
    Набережные Челны Республика Татарстан (Татарстан), Набережные Челны, Машиностроительная улица, 43/1 Пн-Вс с 8:00 до 18:00
    Нижний Новгород Нижний Новгород, Шлиссельбургская улица, 23Б с 8:00 до 20:00
    Санкт-Петербург Санкт-Петербург, проспект Энгельса, 163 с 8:00 до 19:00 по рабочим дням РФ.
    Смоленск Смоленск, улица Кутузова, 11Б с 9:00 до 18:00 в рабочие дни РФ.
    Тверь Тверь, Октябрьский проспект, 70 Пн-Вс с 9:00 до 20:00
    Тюмень Тюмень, улица 50 лет Октября, 218с1 Пн-Пт с 10:00 до 18:00
    Хабаровск Хабаровск, улица Карла Маркса, 145А Пн-пт 09:00-18:00, Сб-Вс 09:00-17:00
    Чебоксары Чувашская Республика, Чебоксары, Хозяйственный проезд, 11В Пн-Пт с 8:00 до 18:00

    Доставка в города Московской области Курьерской Службой - подробнее ...

    - Доставка до терминала Курьерской службы в г. Москва - Бесплатно.
    - Все услуги Курьерской службы оплачиваются покупателем.
    - Предоплата заказа банковским переводом по счету, оплата услуг Курьерской Службы при получении.

    Отправка в города России Курьерской Службой - подробнее ...

    - Доставка до терминала Курьерской службы в г. Москва - Бесплатно.
    - Все услуги Курьерской службы оплачиваются покупателем.
    - Предоплата заказа банковским переводом по счету, оплата услуг Курьерской Службы при получении.

    Отправка в города РФ Транспортной Компанией - подробнее ...

    - 150 рублей доставка до терминала Транспортной Компании в г.Москве.
    - Все услуги Транспортной Компании оплачиваются покупателем.
    - Предоплата заказа банковским переводом по счету, оплата услуг Транспортной Компании при получении.

    Аналогичные товары:
    Просмотренные товары:

    Внимание!
    Внешний вид товара, комплектация и характеристики могут изменяться производителем без предварительных уведомлений.
    Данный интернет-сайт носит исключительно информационный характер и ни при каких условиях не является публичной офертой,
    определяемой положениями Статьи 437 Гражданского кодекса Российской Федерации.
    Указанные цены действуют только при оформлении требуемой продукции через форму заказа сайта Shop220 (корзину).
    Производители электрооборудованияНажмите на логотип, чтобы посмотреть товары производителя в разделе.
    Показать все товары от «IEK» в этом разделе


    Каталог электрики   О Компании   Реквизиты   Информация   Новости   Статьи   Вакансии   Программа лояльности   Самовывоз и Доставка   Контакты   Отзывы  
    Лампы - источники света
    Светодиодные светильники LED
    Розетки и выключатели накладного монтажа
    Телекоммуникационное оборудование
    Электродвигатели, преобразователи частоты, устройство плавного пуска
    Розетки и выключатели влагозащищенные
    Новогодние гирлянды, фигуры, елки
    Бытовые электротовары
    Крепеж
    Светильники ламповые
    Светодиодные ленты, модули, профили, блоки питания
    НВО (Автоматические выключатели, УЗО, щиты, боксы, электросчетчики)
    Электромонтажные изделия, монтажные коробки, клеммы
    Инструмент для электромонтажных и строительных работ
    Кабель и провод
    Теплые полы, обогрев труб и кровли, терморегуляторы
    Розетки и выключатели скрытого монтажа
    Электрооборудование для офисов (кабель-каналы, люки, колонны, розетки)
    Силовые разъёмы, вилки, колодки электрические
    Комплектующие для светильников
    Кабеленесущие системы
    карта сайта  | 
    Мобильная версия
    © ООО "Шоп220", 2007-2026
        Политика конфиденциальности
    8 (800) 101-79-88
    8 (499) 220-88-88
    info@shop220.ru

    Интернет-магазин электрики
    и электротоваров Shop220
    Корзина заказа
    В корзине:

    Корзина пуста.
     
    Выберите город:
    +7 (499) 220-88-88
    info@shop220.ru
    Пн-Пт 8:00-20:00, Сб-Вс 8:00-18:00